關於登仁
產品介紹
最新消息
聯絡我們
語系
TW
CN
關於登仁
產品介紹
最新消息
聯絡我們
語系
TW
CN
產品介紹
首頁
New-Era 氣動夾爪
KH 系列
KH 系列
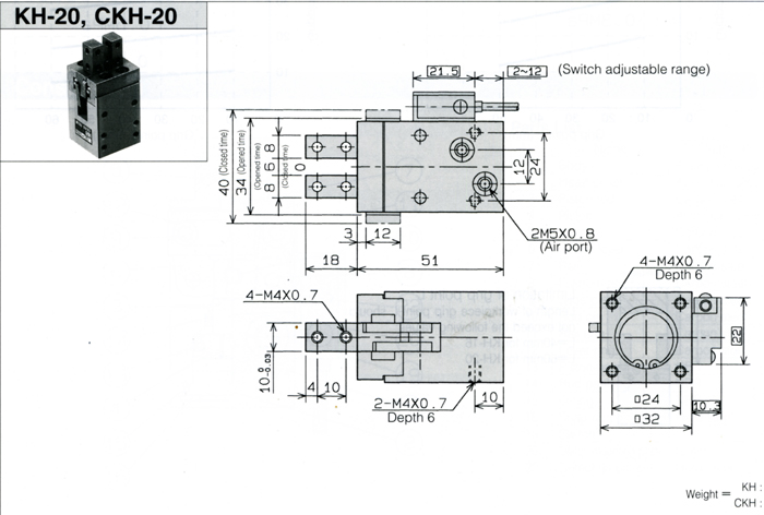
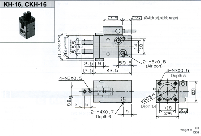
簡介: 小型‧輕量 / 長壽命 / 本體尺寸相同(CKH系列) / (C)帶開關
規格尺寸
???
返回上一頁
Top