產品介紹

HR 06式

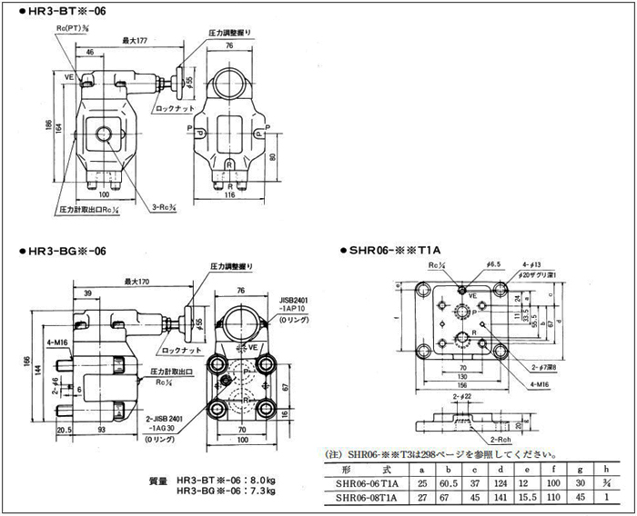
規格尺寸
 
機構圖
 
Top