關於登仁
產品介紹
最新消息
聯絡我們
語系
TW
CN
關於登仁
產品介紹
最新消息
聯絡我們
語系
TW
CN
產品介紹
首頁
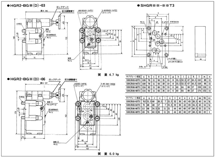
Toyooki 壓力控制弁
HGR
HGR
規格尺寸
機構圖
返回上一頁
Top