關於登仁
產品介紹
最新消息
聯絡我們
語系
TW
CN
關於登仁
產品介紹
最新消息
聯絡我們
語系
TW
CN
產品介紹
首頁
Toyooki 油泵系列
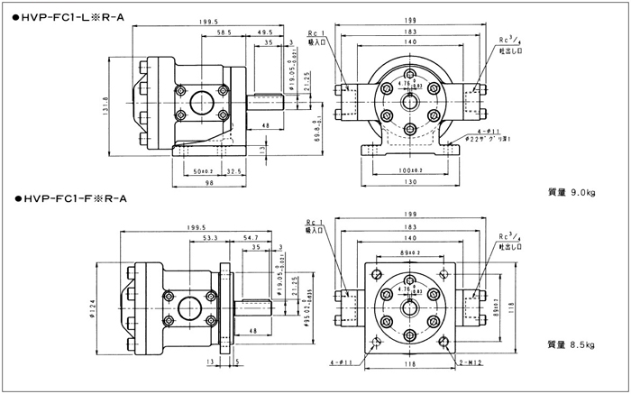
HVP-FC1
HVP-FC1
規格尺寸
機構圖
返回上一頁
Top