關於登仁
產品介紹
最新消息
聯絡我們
語系
TW
CN
關於登仁
產品介紹
最新消息
聯絡我們
語系
TW
CN
產品介紹
首頁
Toyooki 方向控制弁
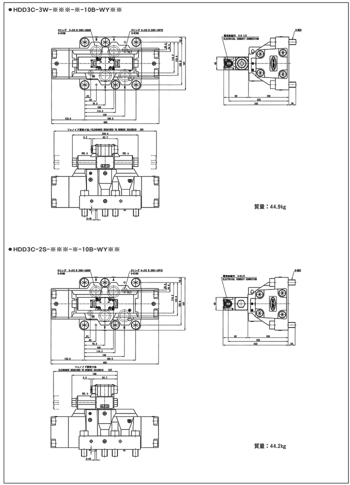
電磁液壓切換弁 HDD3(C)-WY※ 04式 06式
電磁液壓切換弁 HDD3(C)-WY※ 04式 06式
規格尺寸
機構圖
返回上一頁
Top